|
Применение MathCAD для расчета электрических схем
Задание: рассчитать все токи в схеме

Запишем уравнения по 1-му и 2-му законам Кирхгофа

По данным системы уравнений составляем матрицу сопротивлений и матрицу напряжений

Для решения уравнения типа RI = E используется конструкция lsolve(R,E). В результате решения получим вектор токов.
Расчет в пакете MathCAD , решение будет выглядеть так:

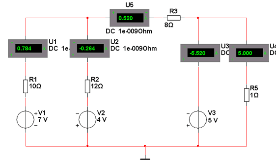
Смоделируем схему в программе MULTISIM:

Замечание: амперметры включены таким образом, чтобы показывать ток направленный сверху вниз, из-за этого знаки токов не совпадают с расчетными
|